什么是前置放大器?如何和功率放大器作區分?
大家好~這里是Aigtek科普時間,對于功率放大器相信大家一定并不陌生,而與功率放大器看起來很相近的前置放大器又是什么呢?和功放又有哪些區別呢?今天我們將帶大家詳細了解一下。
什么是前置放大器?
前置放大器是指置于信源與放大器級之間的電路或電子設備,是專為接受來自信源的微弱電壓信號而設計的。它能將弱電信號轉換成輸出信號足夠強,噪聲耐受性足夠強的信號以用于進一步處理,讓信號避免失真。

(某微弱信號前置放大器電路示意圖)
前置放大器在放大有用信號的同時也將噪聲放大,低噪聲前置放大器就是使電路的噪聲系數達到最小值的前置放大器。對于微弱信號檢測儀器或設備,前置放大器是引入噪聲的主要部件之一。

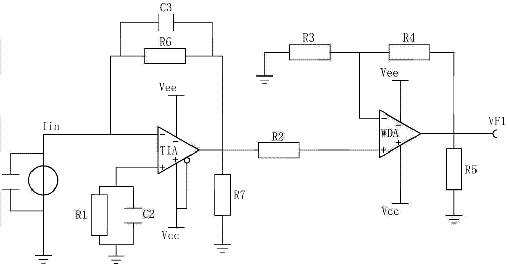
(某前置放大器電路)
整個檢測系統的噪聲系數主要取決于前置放大器的噪聲系數。儀器可檢測的最小信號也主要取決于前置放大器的噪聲。
前置放大器和功率放大器的區別

簡單來說,前置放大器就是把毫伏(mV)、微伏(μV)、納伏(nV)級的小信號放大到毫伏,伏級別。可以在示波器等檢測儀器上面監測到,不用輸出功率驅動負載。而功率放大器就是把信號源的毫伏(mV)、微伏(μV)、納伏(nV)級的小信號放大到百伏甚至千伏級別,用來驅動壓電陶瓷、換能器、線圈等容性、感性負載的放大器。強調輸出功率。
以上就是關于前置放大器的具體介紹,如果您對于電子儀器設備相關內容及資訊感興趣的話,請持續關注安泰電子官網m.dzbanwu.cn,更多精彩內容等待你的發現!西安安泰電子是專業從事功率放大器、高壓放大器、功率信號源、前置微小信號放大器、高精度電壓源、高精度電流源等電子測量儀器研發生產及銷售的高科技企業。~
原文鏈接:http://m.dzbanwu.cn/news/766.html


























